Bono service

 

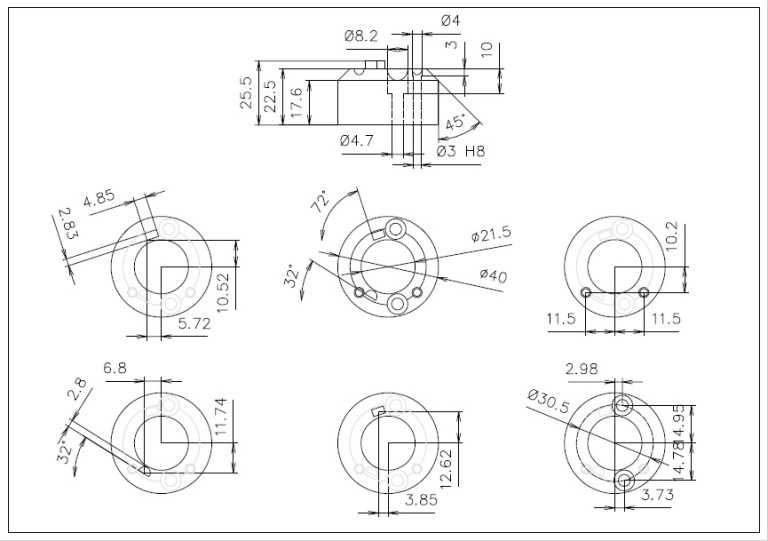
For visible and manufacture complex parts we draw the parts by AutoCad and let it burn by laser.

We achieve by this accuracy, repeatability and a higher processing level.

 
 

We redraw your parts or drawings into electronic format in this program.

 
 
 
 

 
 
 

+420 775 231 651
Bono@bonoservice.cz

Created with total exhaustion © 2015.